首页 » 校准博客 » 一文读懂《实施强制管理的计量器具目录》:2026年企业合规指南
计量检测校准机构-博客现场图片11

一文读懂《实施强制管理的计量器具目录》:2026年企业合规指南

首页 » 校准博客 » 一文读懂《实施强制管理的计量器具目录》:2026年企业合规指南

      “我们车间大部分仪器都定期校准,为什么只有那几台压力表被要求出示检定证书?”一家设备制造厂的安全主管在监管检查后发出了这样的疑问。答案,就藏在一份名为“实施强制管理的计量器具目录”的文件里。

      这份目录并非新生事物,但在2026年,随着市场监管精细化、数字化的推进,其重要性愈发凸显。它像一把清晰的标尺,严格界定了哪些计量器具必须接受国家法制层面的强制检定,哪些企业可以自主管理。理解并遵循这份目录,已成为企业合法经营、保障安全、规避风险的基石。

一、目录核心:法制计量的“边界线”

      首先需要明确一个核心概念:不是所有用于测量的工具都需要“强制检定”。《实施强制管理的计量器具目录》由国家市场监督管理总局发布,是一份法定的“正面清单”。

      它的核心作用在于划清边界:凡列入该目录,且监管方式明确标注为“强制检定”(V)或“型式批准+强制检定”(P+V)的计量器具,其使用单位必须将其送至政府计量行政部门指定的法定计量检定机构进行定期检定。目录之外的计量器具,企业则可依据自身质量管控需要,自主选择校准等方式确保其准确性。

      强制检定的根本目的,是维护四大领域的公共利益:贸易结算的公平(如加油机、电能表)、安全防护的可靠(如锅炉压力表、瓦斯检测仪)、医疗卫生的准确(如血压计、X光机)以及环境监测的真实(如噪声监测仪、烟气分析仪)。这些领域的计量数据一旦失准,将直接损害公众利益、威胁生命安全。

二、企业自查:你的哪些器具“榜上有名”?

      面对琳琅满目的设备,企业如何快速自查?关键在于识别器具的最终用途是否落入上述四大领域。

      如果你在以下场景使用计量器具,就需要高度警惕:

      1、交易与结算:用于商品称重(电子计价秤)、燃油加注(加油机)、水电煤气计量(民用三表)、出租车计费(计价器)以及电动汽车充电计费(充电桩)的器具。2026年,电子计价秤的监管全面升级,新增“开壳即锁死”等防作弊技术要求。

      2、安全监控:用于监测锅炉、压力容器等设备关键参数的压力表;用于易燃易爆、有毒有害环境(如矿山、化工车间)的气体检测报警仪。

      3、医疗诊断:用于疾病诊断、治疗和人体指标测量的各类医用仪器,从基础的体温计、血压计到复杂的CT机、心电图机。

      4、环境监测:用于排放检测和环境评价的声级计、水质监测仪、烟尘采样器等。

      企业设备管理人员应逐一核对在役设备,若其用途属于上述范围,应立即核查其是否已纳入强制检定管理,并拥有在有效期内的合法检定证书。

三、合规路径:如何获取法定“通行证”?

      履行强制检定义务,是一个规范化的流程,其最终目标是取得法定的《检定证书》。整个过程遵循“企业申请、机构执行、政府监督”的模式。

      主要流程分为四步:

      1、备案申请:使用单位应在器具检定有效期届满前至少一个月,通过“中国电子质量监督(e-CQS)系统”强检器具模块或当地市场监管部门指定的平台,进行网上备案并提交检定申请。

      2、配合检定:申请审核通过后,所在地市场监管部门会指定相应的法定计量检定机构。该机构会主动联系企业,约定时间进行上门检定或通知送检。企业需提供必要的配合和条件。

      3、获取证书:检定合格后,法定机构会出具《检定证书》,并在器具显著位置加贴强制检定合格标志。这份证书是证明器具合法使用的唯一法定文件,必须妥善保管。

      4、台账管理:企业应建立完整的《强制检定计量器具管理台账》,记录每台器具的编号、检定日期、有效周期和证书编号,设置预警,确保按期循环送检,杜绝“超期服役”。

      一个重要利好是:根据国家政策,强制检定工作自2017年4月1日起已停征收费。企业无需承担检定费用,但如涉及特殊的送检运输或复杂的现场搭建,可能需承担相关合理支出。

四、厘清误区:“校准”与“检定”的角色之辨

      在寻求合规的过程中,许多企业会接触到像广州市国溯计量检测有限公司这样优秀的第三方校准实验室。此时,必须清晰区分“校准”与“强制检定”的本质不同。

      这是两种性质完全不同的活动:

      强制检定是法制计量范畴,具有强制性,必须由法定机构执行,结论是“合格/不合格”的行政裁定,结果是《检定证书》。

      校准属于工业计量或科学计量范畴,是企业自愿的溯源行为,由CNAS认可的校准实验室(如广州市国溯计量检测有限公司)执行,结论是给出测量值及其不确定度的技术报告,结果是《校准证书》。

      简单来说,《校准证书》绝不能替代《检定证书》用于强制检定的场合。但第三方校准机构的价值巨大:

      1、辅助目录管理:帮助企业解读目录,精准区分“必须强检”和“可以校准”的设备,避免管理错位。

      2、服务非强检设备:对企业大量用于生产过程监控、质量检验、内部结算的非强制检定仪器,提供高水平的校准服务,确保企业内控数据的准确可靠。

      3、提供流程支持:凭借对计量体系的深刻理解,可以为企业提供强检流程咨询、材料预审等辅助服务,甚至提供专业的“计量器具代送检”服务,帮助企业节省时间精力,更顺畅地对接法定机构。

      “现在我们彻底明白了,”一位药厂的质检负责人说,“生产线上的高效液相色谱仪,用于药品含量检测,属于强检,必须拿检定证书;而研发实验室里同型号的仪器,用于方法开发,我们就委托广州市国溯计量检测有限公司进行校准,获取精准数据。两者配合,既满足法规,又支撑创新。”

      2026年,法治化、精准化的计量监管已成常态。主动学习和应用《实施强制管理的计量器具目录》,不仅是应对检查,更是企业夯实质量基础、履行社会责任的明智之举。理解它,遵守它,善用专业服务,能让企业的每一步都走得更加稳健、自信。

      国溯计量作为CNAS认可的第三方校准实验室,不仅提供符合国家规范的通用计量仪器校准服务,还可为您量身定制仪器管理与周期校准方案。您可以通过我们的证书查询系统,随时核验仪器校准状态。新客户尊享15%校准费用优惠,欢迎垂询。CNAS官网查询系统

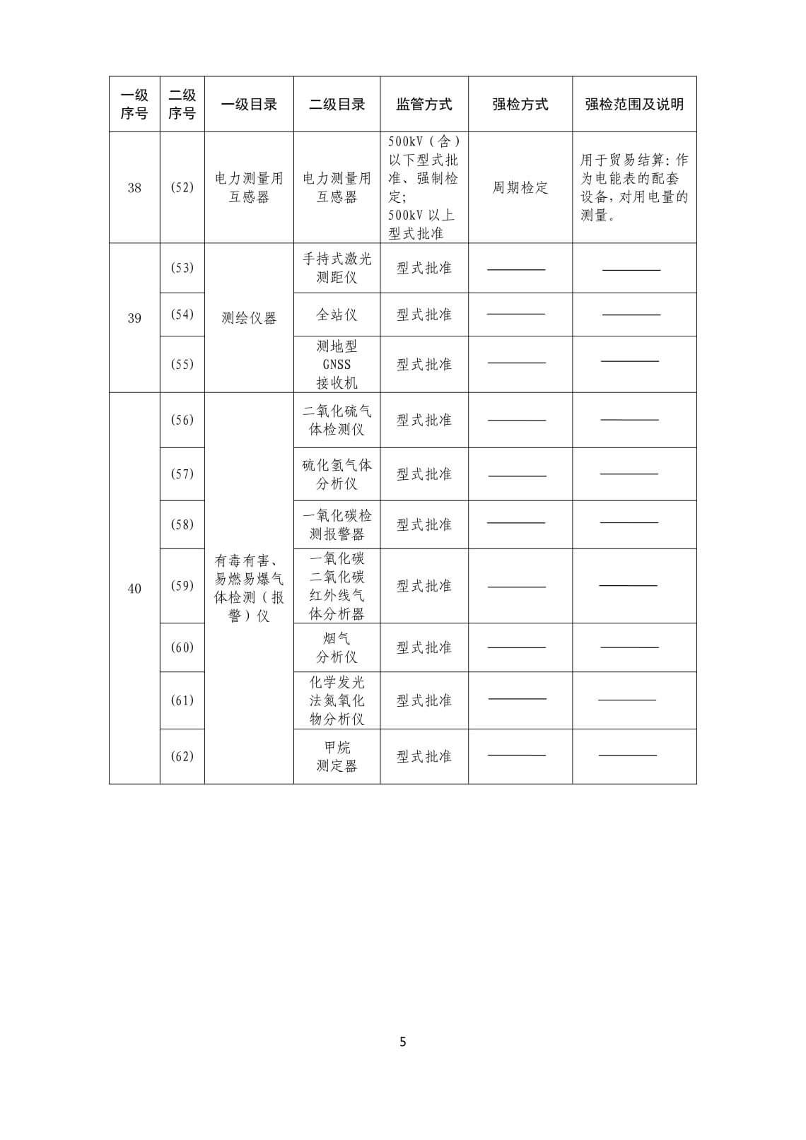
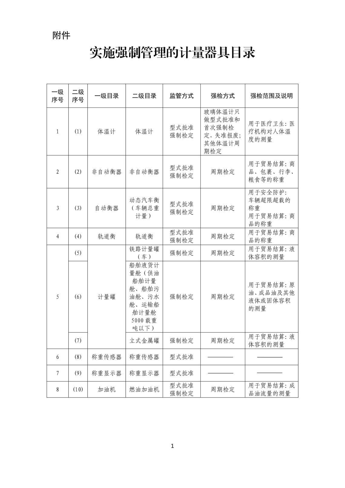
实施强制管理的计量器具目录

市场监管总局关于调整实施强制管理的计量器具目录的公告,文号:2020年第42号,发布日期:2020年10月26日市场监管总局关于调整实施强制管理的计量器具目录的公告

新客户尊享礼遇,立即领取15%校准费用优惠,节省成本,体验国溯专业服务。

查询校准证书,已服务客户可在此快速查询、下载您的校准证书报告。

携手共赢,拓展业务,诚邀同行机构加入我们,共享资源与技术,共赢市场。

滚动至顶部